| État de disponibilité: | |
|---|---|
| Quantité: | |
LSD4010A/B
LITEKEY
8531200000
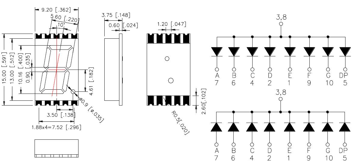
Affichage LED SMD numérique à un chiffre de 0,40 pouces
1. Dimension externe et schéma de circuit interne
Remarques :
Toutes les dimensions sont en millimètres (pouces), la tolérance est de 0,25 mm (0,010), sauf indication contraire.
2. Guide de sélection
Numéro de pièce. | Ébrécher | Iv@IF=20mA | ||||
Commun Anode | Commun Cathode | Matériel | Couleur | WLD | Par puce | |
Min. | Typ. | |||||
LSD4010BR-G | LSD4010AR-G | AlGaInP | Super rouge | 640 | - | 8 |
LSD4010BUR-G | LSD4010AUR-G | AlGaInP | Ultra rouge | 620 | - | 15 |
LSD4010BO-G | LSD4010AO-G | AlGaInP | Orange | 605 | - | 40 |
LSD4010BY-G | LSD4010AY-G | AlGaInP | Jaune | 580 | - | 50 |
LSD4010BG-G | LSD4010AG-G | AlGaInP | Vert | 570 | - | 16 |
LSD4010BPG-G | LSD4010APG-G | InGaN | Vert pur | 520 | - | 35 |
LSD4010BB-G | LSD4010AB-G | InGaN | Bleu | 470 | - | 25 |
LSD4010BW-G | LSD4010AW-G | InGaN | Blanc | x0,27/y0,25 | - | 60 |
Unité: | \ | \ | \ | nm | mcd | mcd |
3. Caractéristiques électriques et valeurs nominales maximales absolues
Paramètre | Électrique Caractéristiques optiques[1] | Absolu Notes maximales[1] | ||||
Couleur émise | Tension directe @ SI=20mA | Inverse | Pouvoir Dissipation | Transfert DC Actuel | Pic en avant Actuel[2] | |
Par puce | Typ. | Max. | ||||
Super rouge | 2.0 | 2.6 | 30 | 60 | 20 | 100 |
Ultra rouge | 2.0 | 2.6 | 30 | 65 | 20 | 100 |
Orange | 2.0 | 2.6 | 30 | 65 | 20 | 100 |
Jaune | 2.0 | 2.6 | 30 | 65 | 20 | 100 |
Vert | 2.0 | 2.6 | 30 | 75 | 20 | 100 |
Vert pur | 3.0 | 3.6 | 30 | 85 | 20 | 100 |
Bleu | 3.0 | 3.6 | 30 | 85 | 20 | 100 |
Blanc | 3.0 | 3.6 | 30 | 85 | 20 | 100 |
Unité: | V | V | uA | mW | mA | mA |
4. Application de Écran LED à montage en surface(Affichage LED CMS)
﹒Appareils électroménagers.
﹒Tableaux de bord.
﹒Affichages à lecture numérique.
Contactez-nous pour plus de détails.
Nos services/Pourquoi choisir LITEKEY
1. Service professionnel : répondu dans les 24 heures (les jours ouvrables).
2. Diverses moulures prêtes à l'emploi de lampe LED sont disponibles : pas besoin de payer des frais supplémentaires pour les moulures.
3. Nous pouvons également fournir des produits personnalisés, conçus selon votre demande.
4. Qualité fiable et stable : 100 % de tests pour chaque pièce. Machine automatique de test et de sélection de code bin.
5. Expérience : produisez des composants LED depuis plus de 14 ans.
6. Équipement avancé : Machines de production automatiques ASM (la plus grande marque de machines automatiques à LED)
7. Concentration : Nous nous concentrons sur la recherche et le développement, la production et les ventes de LED.
Affichage LED SMD numérique à un chiffre de 0,40 pouces
1. Dimension externe et schéma de circuit interne
Remarques :
Toutes les dimensions sont en millimètres (pouces), la tolérance est de 0,25 mm (0,010), sauf indication contraire.
2. Guide de sélection
Numéro de pièce. | Ébrécher | Iv@IF=20mA | ||||
Commun Anode | Commun Cathode | Matériel | Couleur | WLD | Par puce | |
Min. | Typ. | |||||
LSD4010BR-G | LSD4010AR-G | AlGaInP | Super rouge | 640 | - | 8 |
LSD4010BUR-G | LSD4010AUR-G | AlGaInP | Ultra rouge | 620 | - | 15 |
LSD4010BO-G | LSD4010AO-G | AlGaInP | Orange | 605 | - | 40 |
LSD4010BY-G | LSD4010AY-G | AlGaInP | Jaune | 580 | - | 50 |
LSD4010BG-G | LSD4010AG-G | AlGaInP | Vert | 570 | - | 16 |
LSD4010BPG-G | LSD4010APG-G | InGaN | Vert pur | 520 | - | 35 |
LSD4010BB-G | LSD4010AB-G | InGaN | Bleu | 470 | - | 25 |
LSD4010BW-G | LSD4010AW-G | InGaN | Blanc | x0,27/y0,25 | - | 60 |
Unité: | \ | \ | \ | nm | mcd | mcd |
3. Caractéristiques électriques et valeurs nominales maximales absolues
Paramètre | Électrique Caractéristiques optiques[1] | Absolu Notes maximales[1] | ||||
Couleur émise | Tension directe @ SI=20mA | Inverse | Pouvoir Dissipation | Transfert DC Actuel | Pic en avant Actuel[2] | |
Par puce | Typ. | Max. | ||||
Super rouge | 2.0 | 2.6 | 30 | 60 | 20 | 100 |
Ultra rouge | 2.0 | 2.6 | 30 | 65 | 20 | 100 |
Orange | 2.0 | 2.6 | 30 | 65 | 20 | 100 |
Jaune | 2.0 | 2.6 | 30 | 65 | 20 | 100 |
Vert | 2.0 | 2.6 | 30 | 75 | 20 | 100 |
Vert pur | 3.0 | 3.6 | 30 | 85 | 20 | 100 |
Bleu | 3.0 | 3.6 | 30 | 85 | 20 | 100 |
Blanc | 3.0 | 3.6 | 30 | 85 | 20 | 100 |
Unité: | V | V | uA | mW | mA | mA |
4. Application de Écran LED à montage en surface(Affichage LED CMS)
﹒Appareils électroménagers.
﹒Tableaux de bord.
﹒Affichages à lecture numérique.
Contactez-nous pour plus de détails.
Nos services/Pourquoi choisir LITEKEY
1. Service professionnel : répondu dans les 24 heures (les jours ouvrables).
2. Diverses moulures prêtes à l'emploi de lampe LED sont disponibles : pas besoin de payer des frais supplémentaires pour les moulures.
3. Nous pouvons également fournir des produits personnalisés, conçus selon votre demande.
4. Qualité fiable et stable : 100 % de tests pour chaque pièce. Machine automatique de test et de sélection de code bin.
5. Expérience : produisez des composants LED depuis plus de 14 ans.
6. Équipement avancé : Machines de production automatiques ASM (la plus grande marque de machines automatiques à LED)
7. Concentration : Nous nous concentrons sur la recherche et le développement, la production et les ventes de LED.
Condition CMS recommandée:
REMARQUES :
1.Nous recommander le refusion température 245°C(±5°C).Le Maximum soudure température devrait être limité à 260°C.
2. Ne faites pas cause stresser à le époxy résine alors que il est exposé à haut température.
3. Nombre de refusion processus devoir être 2 fois ou moins.
Condition CMS recommandée:
REMARQUES :
1.Nous recommander le refusion température 245°C(±5°C).Le Maximum soudure température devrait être limité à 260°C.
2. Ne faites pas cause stresser à le époxy résine alors que il est exposé à haut température.
3. Nombre de refusion processus devoir être 2 fois ou moins.